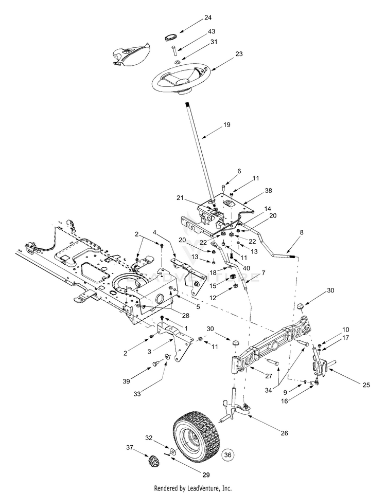
Yard Man 13AZ614H401 2004 Lawn Tractor Partswarehouse View larger
  • Yardman lawn mower wheels shop
  • Wheel Assembly 14 x 2 Yellow 734 1860A Cub Cadet Canada
  • Yardman lawn mower wheels shop
  • Wheel for White Outdoor 22 Cut 73404213 7341988 734 04213 734 1988 7 Tall x 1 5 8 Wide
  • MTD lawn tractor identification help My Tractor Forum

Yardman lawn mower wheels shop

Yardman lawn mower wheels shop, Yard Man 13AZ614H401 2004 Lawn Tractor Partswarehouse shop

$78.00

SAVE 50% OFF

$39.00

- +

Add to wishlist


Frasers Plus

$0 today, followed by 3 monthly payments of $13.00, interest free. Read More


Yardman lawn mower wheels shop

Yard Man 13AZ614H401 2004 Lawn Tractor Partswarehouse

MTD Yard Man 21 160cc Self Propelled Lawn Mower w Honda Engine MTD Yard Machines 12B 569Q755

Wheel Assembly 14 x 2 Yellow 734 1860A Cub Cadet Canada

MTD Lawn tractors RH 135 105 B 13BA508N600 2004 Front wheels Spareparts

Wheel for White Outdoor 22 Cut 73404213 7341988 734 04213 734 1988 7 Tall x 1 5 8 Wide

MTD lawn tractor identification help My Tractor Forum

Description

Product Name: Yardman lawn mower wheels shop
ONE FRONT WHEEL YARDMAN by Mtd Push LAWN MOWER PARTS eBay shop, 2pcs Front Drive Wheels for MTD Yard Man Yard Machines Bolens shop, 2pcs 734 04581 8 Wheel for MTD Craftsman Huskee Troy Bilt Yard Man Amazon Patio Lawn Garden shop, Yardman Lawn Mower 734 04018A Geared Drive Wheel Replacement Wheel shop, MTD Brute Columbia Craftsman Yard Man Lawn Mower Wheel 634 05040 shop, Yard Man Self Propelled Lawn Mower Model 12AE46JA001 MTD Parts shop, Yard Man Riding Lawn Mower Model 13AX615G055 shop, 8in Lawnmower Wheel 634 05040 for MTD Brute Columbia Craftsman Yard Man Lawn Mower Amazon Patio Lawn Garden shop, Yardman Lawn Mower Wheels Jacks Small Engines shop, OEM 190 183 Deck Wheel Kit for MTD Lawn Tractor 38 42 Decks 2009 and Prior shop, Genuine Mtd Front Drive Wheels for Yard Man Yard Machines Bolens Oem shop, How to Replace the Carburetor for Yard Man 21 self propelled mower HIPA Carburetor Kit Review shop, 2 Pcs 8 Wheel Replacement for MTD 734 04581 Craftsman Huskee Troy Bilt Yard Man Lawnmower Wheel Amazon Patio Lawn Garden shop, Yard Man 11A 588C755 Lawn Mower OEM Replacement Parts From eReplacementParts shop, MTD Genuine Factory Parts 20 in. x 8 in. Rear Tractor Wheel for Troy Bilt Cub Cadet and Craftsman Lawn and Garden Tractors 490 327 0002 The Home Depot shop, Yard Man Self Propelled Lawn Mower Model 12AE445G701 MTD Parts shop, Help identifing the year this MTD lawn tractor was made. r lawnmowers shop, Troybilt MTD Yardman Lawnmower Wheel 734 04223A 734 1750 820 eBay shop, 8 Wheel Replacement for MTD 734 04581 Craftsman Huskee Troy Bilt Yard Man Lawnmower Wheel Amazon Patio Lawn Garden shop, This 1998 MTD Lawn Tractor gets The Works shop, Yard Man 13AZ614H401 2004 Lawn Tractor Partswarehouse shop, MTD Yard Man 21 160cc Self Propelled Lawn Mower w Honda Engine MTD Yard Machines 12B 569Q755 shop, Wheel Assembly 14 x 2 Yellow 734 1860A Cub Cadet Canada shop, MTD Lawn tractors RH 135 105 B 13BA508N600 2004 Front wheels Spareparts shop, Wheel for White Outdoor 22 Cut 73404213 7341988 734 04213 734 1988 7 Tall x 1 5 8 Wide shop, MTD lawn tractor identification help My Tractor Forum shop, Yardman Lawn Mower 734 04018A Geared Drive Wheel Replacement shop, Mtd wheel 734 1988 Aux petits moteurs du Quebec shop, 20 HP 46 in. Yard Man Lawn Tractor Northern Tool shop, MTD Genuine Factory Parts 20 in. x 8 in. Rear Tractor Wheel for Troy Bilt Cub Cadet and Craftsman Lawn and Garden Tractors 490 327 0002 The Home shop, 7 x 1 5 8 Walk Behind Lawn Mower Wheel Stens 205 426 Repl MTD Cub Cadet 734 1988 eBay shop, 2 Genuine MTD 634 0190A Front Drive Wheels For Yard Man Yard Machines Powered By Moyer shop, Troy Bilt Wheel shop, MTD 124 478C205 1994 Engine Grass Catcher Mulching Kit And Chute Deflector shop, Mtd 634 04751 8inch Walk Behind Lawnmower Rear Wheel Lawn Mower Wheel and Mower Wheel price shop.

Yardman lawn mower wheels shop