Yard Man 13AT604G755 20HP V Twin Engine with Spin on Oil Filter 42 Inch Cutting Deck Riding Lawn Mow by carmen ailoh Issuu View larger
  • 13at604g755 shop
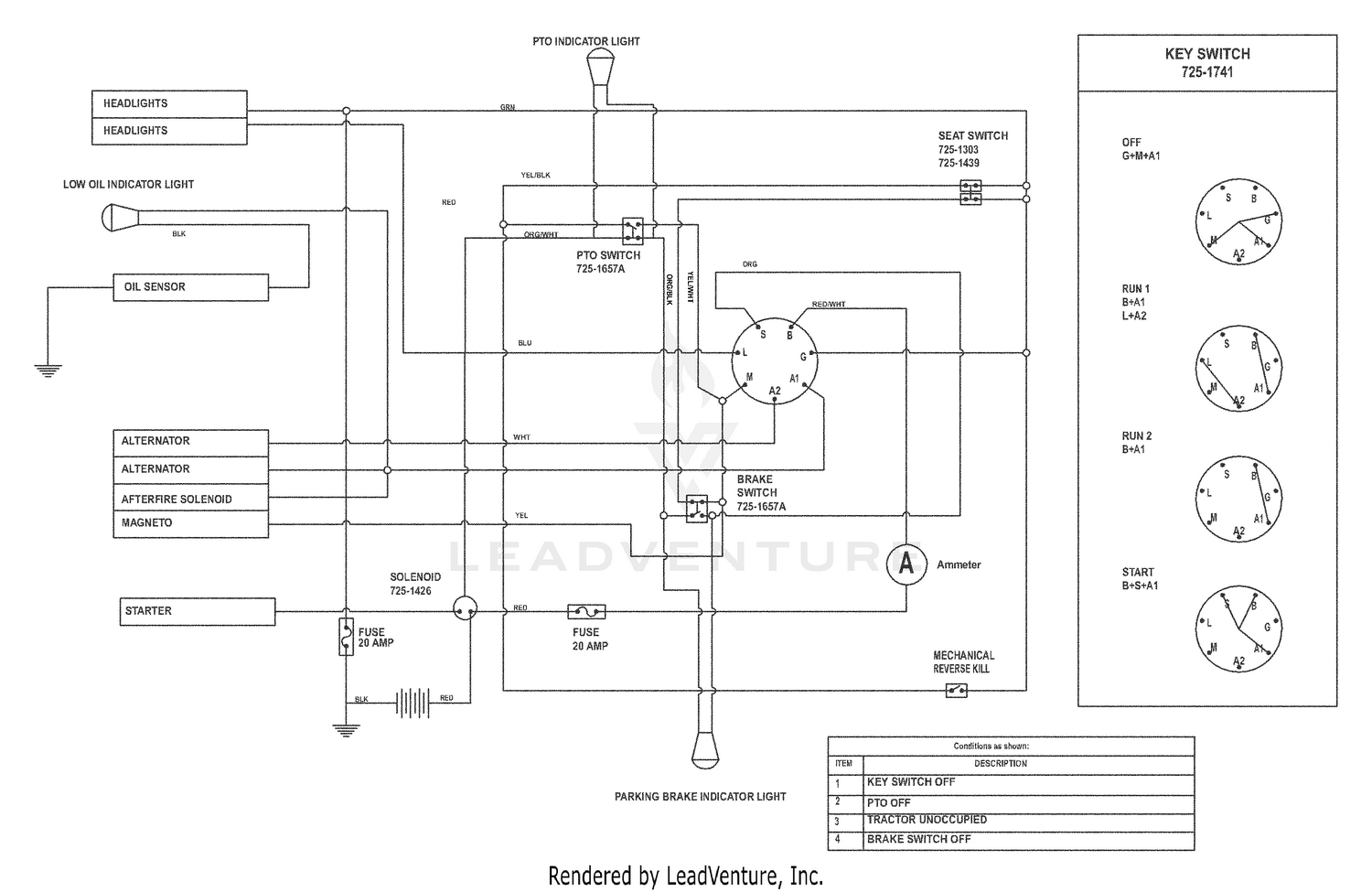
  • MTD 13AT604G755 2004 Electrical
  • 13at604g755 shop
  • MTD 13AT604G755 42 Riding Lawn Mower OEM Replacement Parts From eReplacementParts
  • Amazon MaxLLTo Paquete de 4 cables de freno de elevacion de repuesto 746 0970 946 0970 para MTD RZT17 RZT22 RZT42 LT1500 13AQ609G022 13AS608G033 13AT604G755 Patio Cesped y Jardin

13at604g755 shop

13at604g755 shop, Yard Man 13AT604G755 20HP V Twin Engine with Spin on Oil Filter 42 Inch Cutting Deck Riding Lawn Mow by carmen ailoh Issuu shop

$70.00

SAVE 50% OFF

$35.00

- +

Add to wishlist


Frasers Plus

$0 today, followed by 3 monthly payments of $11.67, interest free. Read More


13at604g755 shop

Yard Man 13AT604G755 20HP V Twin Engine with Spin on Oil Filter 42 Inch Cutting Deck Riding Lawn Mow by carmen ailoh Issuu

MTD Lawn Tractor 13AT604G755 OEM Parts Repair Help PartSelect

MTD 13AT604G755 2004 Electrical

954 04122 Deck Belt Replacement for MTD 13AT604G755 Compatible with 754 04122 46 Inch Deck Drive Belt

MTD 13AT604G755 42 Riding Lawn Mower OEM Replacement Parts From eReplacementParts

Amazon MaxLLTo Paquete de 4 cables de freno de elevacion de repuesto 746 0970 946 0970 para MTD RZT17 RZT22 RZT42 LT1500 13AQ609G022 13AS608G033 13AT604G755 Patio Cesped y Jardin

Description

Product code: 13at604g755 shop
Yard Man 13AT604G755 20HP V Twin Engine with Spin on Oil Filter 42 Inch Cutting Deck Riding Lawn Mower Buy Online at Best Price in Egypt Souq is now Amazon.eg shop, MTD 13AT604G755 42 Riding Lawn Mower OEM Replacement Parts From eReplacementParts shop, 8TEN Deck Rebuild Kit for MTD Yard Man Yard Machines 13AT604G701 13BT604G401 13AT604G755 Lawn Tractor Blade Spindle Belt Amazon Patio Lawn Garden shop, Yard Machines 13AT604G755 2004 Lawn Tractor Partswarehouse shop, MTD Lawn Tractor 13AT604G755 OEM Parts Repair Help PartSelect shop, MTD 13AT604G755 2004 Parts Diagram for PTO Battery Frame 1 shop, MTD 13AT604G755 2004 Parts Diagram for Transmission Assembly shop, 7540498 Mtd Products Inc. 13AT604G755 Deck 42 Aftermarket belt shop, Yard Machines 13AT604G755 2004 Lawn Tractor Partswarehouse shop, MTD 13AT604G755 2004 Parts Diagram for Hood Fuel Tank Electrical shop, Amazon 7540497 4L Deck V Belt for White 13AT604G701 13AT604G755 Industrial Scientific shop, 954 04122 Deck Belt Replacement for MTD 13AT604G755 Compatible with 754 04122 46 Inch Deck Drive Belt shop, MTD 13AT604G755 2004 Parts Diagram for Axle Wheels Front Steering shop, MTD Lawn Tractor 13AT604G755 OEM Parts Repair Help PartSelect shop, for Drive Belt 7540498 fits Yard Man Deck 46 13AT604G701 13AT604G755 13BD604G shop, Yard Man 13AT604G755 20HP V Twin Engine with Spin on Oil Filter 42 Inch Cutting Deck Riding Lawn Mow by carmen ailoh Issuu shop, Yard Man Riding Lawn Mower Model 13BT604H755 MTD Parts shop, 954 04122 Deck Belt Replacement for MTD 13AT604G755 Compatible with 754 04122 46 Inch Deck Drive Belt shop, 8TEN Deck Rebuild Kit for MTD Yard Man Yard Machines 13AT604G701 13BT604G401 13AT604G755 Lawn Tractor Blade Spindle Belt Newegg shop, 8TEN Kit de reconstruction de pont pour machines MTD Yard Man Yard 13AT604G701 13BT604G401 13AT604G755 Amazon Terrasse et Jardin shop, Yard Man 13AT604G755 20HP V Twin Engine with Spin on Oil Filter 42 Inch Cutting Deck Riding Lawn Mow by carmen ailoh Issuu shop, MTD Lawn Tractor 13AT604G755 OEM Parts Repair Help PartSelect shop, MTD 13AT604G755 2004 Electrical shop, 954 04122 Deck Belt Replacement for MTD 13AT604G755 Compatible with 754 04122 46 Inch Deck Drive Belt shop, MTD 13AT604G755 42 Riding Lawn Mower OEM Replacement Parts From eReplacementParts shop, Amazon MaxLLTo Paquete de 4 cables de freno de elevacion de repuesto 746 0970 946 0970 para MTD RZT17 RZT22 RZT42 LT1500 13AQ609G022 13AS608G033 13AT604G755 Patio Cesped y Jardin shop, Yard Man Riding Lawn Mower Model 13AT605G755 shop, MTD Lawn Tractor 13AT604G755 OEM Parts Repair Help PartSelect shop, MTD 13AT604G755 42 Riding Lawn Mower OEM Replacement Parts From eReplacementParts shop, 5 8 x 68 1 4 PTO Belt for MTD 754 04064 954 04064 LT 946G 946H P61GG P61GH V60GG V61GG Yardman Yard Machine Huskee Supreme with 46 H Deck Amazon Patio Lawn Garden shop, MTD Lawn Tractor 13AT604G755 OEM Parts Repair Help PartSelect shop, 4.75 Variable Speed Pulley 756 04015A 956 04015 for MTD Cub Cadet Troy Bilt Craftsman Murray Yard Machines Lawn Tractor Mower shop, Yard Man Riding Lawn Mower Model 13AT604H755 MTD Parts shop, MTD 13AT604G755 42 Riding Lawn Mower OEM Replacement Parts From eReplacementParts shop, 8TEN Deck Rebuild Kit for MTD Yard Man Yard Machines 13AT604G701 13BT604G401 13AT604G755 Lawn Tractor Blade Spindle Belt Amazon Patio Lawn Garden shop.

13at604g755 shop